Schématèque standard pour APPER-Solaire
De nombreux acteurs de l'auto-construction/auto-installation de système solaire thermique individuel participe à la vie de l'Association Pour la Promotion des Energies Renouvelables (APPER Solaire).
De chacun, pour partager expériences ou besoins, utilise des schémas de leur projet. A l'air de l'informatique personnelle, toutes les solutions sont utilisées et il est difficile d'échanger/éditer des documents produits par toute une panoplie de logiciels propriétaires ou pire « farfelus »
Apper Solaire pourrait proposer d'utiliser le logiciel ouvert « DIA » du projet Gnome.
Riche de capacité, DIA permet d'utiliser une bibliothèque adaptée à nos besoins. L'utilisation de symboles conforme à la norme NFE 04-051 accompagnés de ceux des produits spécifiques référencés par APPER-Solaire est le premier critère d'échange. Mais les capacités d'un logiciel de CAO est fortement structurante.
Il devient aisé
d'identifier les éléments,
de relier entre eux grâce au routage automatique,
de les regrouper entre eux -quoi de plus gènant que de déplacer un objet sans les informations qu'on lui a affectées-
de différencier les couches (électriques, hydrauliques, logiques) à l'aide de la fonction « calques »
Aussi je vous propose de valider et utiliser une première version de cette bibliothèque. Toutes vos remarques seront les bienvenues et enrichiront notre patrimoine d'auto-constructeur.
Vous trouverez ici les références pour utiliser le logiciel DIA et les modèles APPER.
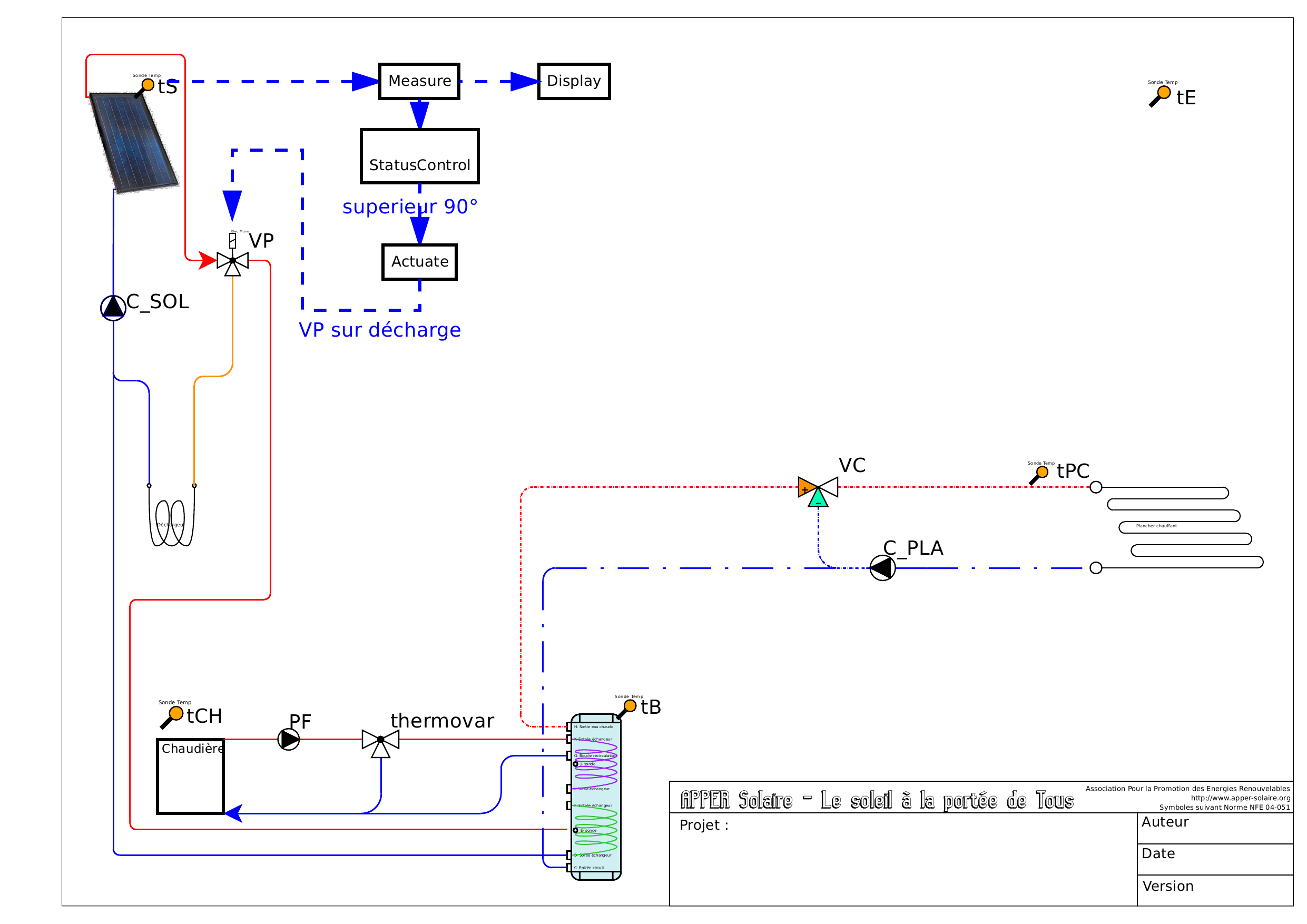
Un schéma vaut mieux qu'un long discours
Voici la comparaison d'un document produit par un de nos collègues

avec le schéma approchant produit avec DIA

Il est enfantin d'insérer un objet, d'en déplacer un autre, ou tout un groupe, à vous de juger.
Télécharger le logiciel depuis le site dia-installer.de
Version Windows : http://dia-installer.de/index.html.en
Version Linux : http://dia-installer.de/download/linux.html
L'installation est automatique (fichier autoextractible sous Windows, ou fichier d'installation deb sous debian/ubuntu)
Télécharger le fichier zip depuis le site http://apper.ogm-techno.org/dia/apper-solaire-pre.zip.
Cet ensemble de symboles n'est pour l'instant qu'une ébauche, cette version préliminaire n'attend que vos remarques et vos participations.
Le code de DIA est conçu pour qu'une feuille d'objets puisse être contenue dans un seul répertoire. Installer des formes est aussi simple que de décompresser le fichier zip dans le répertoire utilisateur ~/.dia/shapes, avec la description de la feuille de modèles dans ~/.dia/sheets
Vous trouverez donc une structure de fichiers suivante
.dia|-- examples| |-- apper-solaire.dia|-- shapes| |-- Apper-solaire| |-- 1808.gif| |-- 1808.png| |-- 1808.shape| |-- Ballon_combine_connections| |-- Ballon_combine.png| |-- Ballon_combine.shape| |-- BVDE_connections| |-- BVDE.png| |-- BVDE.shape| |-- Capteur_Pos.png| |-- Capteur_Pos.shape| |-- Capteur_Temp.png| |-- Capteur_Temp.shape| |-- Clapet_Arret.png *aussi en vertical| |-- Clapet_Arret.shape| |-- Clapet_Battant.png| |-- Clapet_Battant.shape| |-- Clapet_Non_Retour.png| |-- Clapet_Non_Retour.shape| |-- Cmd_Elec_Bistable.png| |-- Cmd_Elec_Bistable.shape| |-- Cmd_Elec_Monostable.png| |-- Cmd_Elec_Monostable.shape| |-- Cmd_Elec_Moteur.png| |-- Cmd_Elec_Moteur.shape| |-- Cmd_Meca_Distante.png| |-- Cmd_Meca_Distante.shape| |-- Cmd_Meca_Flotteur.png| |-- Cmd_Meca_Flotteur.shape| |-- Cmd_Meca_Manu.png| |-- Cmd_Meca_Manu.shape| |-- Cmd_Meca_Surete.png| |-- Cmd_Meca_Surete.shape| |-- Cmd_Thermostatic.png| |-- Cmd_Thermostatic.shape| |-- Dechargeur.png| |-- Dechargeur.shape| |-- Entete.png| |-- Entete.shape| |-- Melangeur.png| |-- Melangeur.shape| |-- Plancher_Chauffant.png| |-- Plancher_Chauffant.shape| |-- Pompe.png| |-- Pompe.shape| |-- Purgeur_Air.png| |-- Purgeur_Air.shape| |-- Purgeur_Eau.png| |-- Purgeur_Eau.shape| |-- Resol_Deltasol_M.png| |-- Resol Deltasol M.shape| |-- Resol_HKM2.png| |-- Resol HKM2.shape| |-- Swimming_Pool.png| |-- Swimming_Pool.shape| |-- Vanne_3_voies.png *| |-- Vanne_3_voies.shape| |-- Vanne_isolement.png *| |-- Vanne_isolement.shape| |-- Vanne_Reglage.png *| |-- Vanne_Reglage.shape| |-- Vanne.png *| |-- Vanne.shape| |-- Vase_Expansion.png| `-- Vase_Expansion.shape`-- sheets`-- Apper-solaire.sheet
Sous windows, veuillez repérer les autres objets existants et extraire le zip à la base (sans doute dans %USER%\APPDATA\DIA\.dia )
Prenez quelques minutes pour consulter la documentation du site http://dia-installer.de/documentation.html. Vous sont proposés différents format de fichiers (une copie de la documentation PDF est accessible sur le site http://apper.ogm-techno.org/dia/dia-manual.pdf
Avant de vous lancer dans la création de vos schémas, veuillez d'abord vérifier la présence de la bibliothèque APPER.
Au lancement de Dia 2 fenêtres s'ouvrent : l'éditeur de diagramme (ici à gauche), un schéma dit « par défaut » Diagramme1.dia (ici à droite)
La bibliothèque d'objets présentement sélectionnée est affichée dans la fenêtre « Editeur »

Dans la liste de sélection de bibliothèque, vérifier si le choix « autres feuilles » vous propose la bibliothèque « apper-solaire ». Si tel est le cas, votre installation de la b ibliothèque est correcte.
Vérifier et configurer les préférences de Dia : menu Fichier → préférences → Menu des diagrammes → Type de papier A3
Ouvrir le document d'exemple (.dia/examples/schema.dia)

Ajuster la fenêtre pour qu'elle affiche tout le dessin, elle devrait avoir cette présentation
Vérifier la mise en page du document
la taille du papier doit être fixée en A3 portrait
marge haute : 0,56 cm
marge basse : 0,57 cm
marge gauche : 1,97 cm
marge droite : 0,42 cm
Echelle 100%
Tester l'impression
Imprimer votre document dans un fichier PDF
Ouvrir le fichier généré, puis l'imprimer. Vous aurez de cette façon le moyen d'adapter le document à votre format réel de papier (A4 sans doute)
Choississez dans l'onglet « Gestion des pages », l'option « Ajustement des pages » à « Réduire selon la zone imprimable ». l'option « Pivoter automatiquement et centrer » devra aussi être choisie
Voilà si tout est OK vous allez pouvoir utiliser les objets de la bibliothèque.
Dans la fenêtre « diagramme » Fichier → Nouveau document
Une fenêtre s'ouvre dénommé « diagramme1.dia »,
ajuster la mise en page suivant les indications de marges et papier ci-dessus,
ajuster votre fenêtre pour apercevoir les coordonnées 0,0
sélectionner avec votre souris le premier objet de la fenêtre « Editeur de diagramme », c'est le cartouche du document

déplacer et déposer le sur la feuille du schéma,
il est encadré par des repères verts, ajuster sa position par sélectionner, glisser, déposer

redimensionner à la taille d'une feuille en attrapant le coin inférieur gauche, et en étirant jusqu'au point bas gauche de la feuille
avec l'objet « texte » remplir les diverses informations du cartouche

enregistrer votre premier document en lui donnant un nom comme démonstration-APPER.dia par exemple
NB : ne pas oublier d'ajouter l'extension .dia au nom du fichier, cela n'est pas réalisé automatiquement
Depuis le menu « Calques », choisir « Ajouter un calque » en le nommant hydro par exemple

en resélectionnant le menu « Calques », s'<qapercevoir que maintenant 2 calques existent, l'arrière plan (que l'on pourrait d'ailleurs nommer « cartouche ») et le calque « hydro ». Ce dernier est dit actif, (surligné en gris) et donc les objets ajoutés le seront sur ce calque.

L'oeil à gauche du titre signifie que ce calque est visible.
A vérifier
La croix repérée sur une ligne signale que les calques ajoutés seront alignés sur celui de l'arrière plan,
on peut modifier le comportement d'alignement automatique en agissant sur ce bouton, permettant ainsi de déplacer un calque par rapport aux autres.
L'alignement des objets sur la grille est obtenue grâce au bouton en bas de la fenêtre du schéma, à voir dans le chapitre suivant.
Pour créer les symboles je me suis fié à la norme NFE 04-051, et sa référence plus actuelle (TC10 Technical product documentation ISO 14617-6/22/23 , cf http://fr.wikipedia.org/wiki/Schéma_tuyauterie_et_instrumentation)
et bien-sûr à l'étude des documents proposés par les « adeptes » de notre site favori Apper-solaire.org.
Cependant les capacités d'intégrer des images dans les objets, pourrait permettre de réaliser des dessins plus « Grand Public ».
Je vous en propose un objet de ce type pour le panneau solaire, et c'est avec lui (la raison d'être d'Apper-Solaire) que nous allons commencer les explications.
Je profite des techniques modernes en vous proposant un tutoriel vidéo très amateur { screencast :) }, à vous.